EC220218-242C-2854 10-20-30分钟定时芯片
一. 功能说明
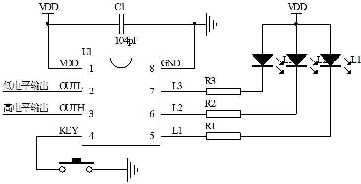
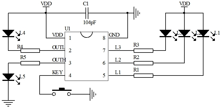
供电方式:3.7-4.2V锂电池供电。一个轻触开关输入,五路输出:2路电平信号同步输出(OUTL低电平有效,OUTH高电平有效,可二选一。),3路指示灯LED1,LED2,LED3。
上电不工作,长按2秒开启定时10分钟模式,OUTL输出低电平,OUTH输出高电平,LED1指示灯亮,短按一下,进入定时20分钟模式,OUTL输出低电平,OUTH输出高电平,LED1、LED2指示灯亮。再短按一下,进入定时30分钟模式,OUTL输出低电平,OUTH输出高电平,LED1、LED2、LED3指示灯亮。再短按一下返回定时10分钟,LED1指示灯亮,依次循环。
计时过程中,指示灯随着计时时间递减而递减(如:定时30分钟,LED1,LED2,LED3亮灯,当时间剩余20分钟,此时LED3灭,LED1,LED2亮,中途触发进入下一档(例如30分钟定时,为20分钟时还是30分钟模式,触发按键则进入10分钟模式)。
任何模式下长按2秒关机。再开机从10分钟模式开始。
二. 电参数(VDD=5.0V TA=25℃)
参数 | 符号 | 小值 | 典型值 | 值 | 单位 | 条件 |
工作电压 | VDD | 2.4 | 3.0 | 5.0 | V | |
工作电流 | IOP | 1.6 | mA | Fcpu=2MHz@XTAL-4M | ||
静态电流 | ISTB | 3 | uA | VDD=5V, WDT 开, LVR 关 | ||
驱动电流 | Iol | 30 | mA | Vol=0.6V | ||
工作温度 | TA | -10 | 25 | 70 | ℃ | |
储存温度 | Tstg | -20 | 25 | 100 | ℃ |
三. 封装脚位图(SOP-8)
管脚号 | 符号 | 功能描述 |
1 | VDD | 电源正 |
2 | OUTL | 信号输出,低电平有效 |
3 | OUTH | 信号输出,高电平有效 |
4 | KEY | 触发开关 |
5 | L1 | 指示灯1输出,低电平有效 |
6 | L2 | 指示灯2输出,低电平有效 |
7 | L3 | 指示灯3输出,低电平有效 |
8 | GND | 电源负 |
四. 电路图参考

主控推LED应用图

五. 封装尺寸图(SOP-8)
六. 版本说明
版本 | 日期 | 描述 |
EC220218-242C-2854 | 2022/2/24 | V01初版 |








4790
深圳市丽晶微电子科技有限公司


浙公网安备33010502012242号