XF103 温湿压传感器(户外防护型)
产品简介
XF103温湿压传感器(户外防护型)产品是针对多领域象参数进行监测的仪器。设备创新性地将象标准三参数即大温度、湿度、大压力,通过一个高集成度结构来实现,可实现户外象参数24小时连续在线监测,通过数字量通讯接口将三项参数一次性输出给用户。
应用领域
· 象监测 · 微型环境监测 · 网格化环境监测 · 农业象监测
· 交通象监测 · 光伏环境监测 · 力发电象监测
产品特点
· 小型化 · 支持485协议
· 低功耗 · 模块化,无移动部件
· 方便安装 · 支持多种象、环境参数同时监测
产品技术参数
监测参数测量范围精度分辨率
空温度-40-85℃≦±0.3℃(@25℃,典型)0.01℃
空湿度0-RH≦±3%RH(@25℃,10%-80%RH,典型)0.01%RH
大压力500-1100hPa≦±0.3hPa(@25℃,950hPa-1050hPa) 0.1hPa
工作温度-40℃—80℃
输出信号标准产品为RS485接口,ModbusRTU;
可定制SDI-12(需另购模块)
供电DC9-30V
防护等级IP65
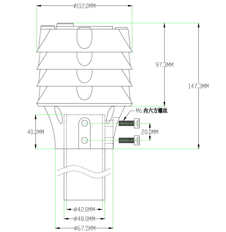
固定方式标准产品为套筒式固定,见产品尺寸图。(可选配法兰盘固定或折弯板固定方式)
固定支架标准产品无,可选配1.5米、1.8米支架(需另购)
标配3米线缆(可选配10米通讯线缆)
备注大温度、湿度、压三个参数集成在一起的传感器安装在一个三层户外防辐射罩内,防辐射罩采用PC+纤维特殊比例配置,内部喷涂隔热层减少太阳辐射的影响。无移动部件,保证了长时间测量数据的准确度。
⭐规格可能更新不预先通知
⭐规格可能更新不预先通知
产品尺寸

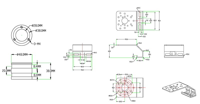
配套转接件
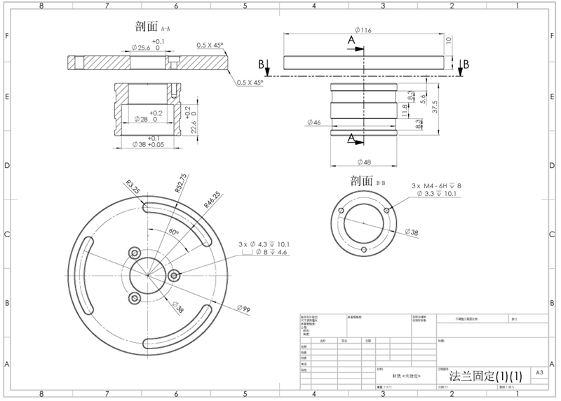
法兰盘固定方式:
折弯板固定方式:

MODBUS RTU通讯协议(适用于温湿压传感器XF103)
波特率:9600
数据位:8
停止位:1
校验位:无
1 CRC说明:
以下所有说明中,MODBUS RTU 协议中的CRC16两字节,按照MODBUS规定:低字节在前,高字节在后。
以下说明中,假定传感器地址0xFF(传感器缺省地址为FF)
2 返回错误码规定:
传感器对于错误指令的接收(包括CRC16效验错误),均实行不返回错误码方式。上位机可在指令发出100ms后收不到返回数据时认为发出指令失败,可重新发送指令。
3 标准MODBUS 寄存器说明
特别注意:MODBUS 命令中寄存器的数量或长度一项均为两字节16 位为一个单位(高字节在前,低字节在后),而非单字节8 位为一个单位。
用户应保证命令中寄存器的地址和数量这两项参数的范围在本系统规定范围之内。如果超出范围,传感器的输出结果将无法预测,用户应在上位机软件设计中保证MODBUS 命令符合本手册要求
4 输入寄存器:用功能码 03 读
地址操作内容备注
0x0001只读空温度,加40放大100倍的16进制数,如0x1B00表示6912/100-40=29.12℃
0x0002只读空湿度,放大100倍的16进制数,如0x1603表示5635/100=56.35%
0x0003只读大压强,放大10倍的16进制数,如0x2784表示10116/10=1011.6hPa
读数据
设备地址功能码起始寄存器地址寄存器个数CRC校验
xx0300000002CRCloCRChi
数据回复
设备地址功能码数据长度数据CRC校验
xx030400yyCRCloCRChi
WSY301/485示例
命令FF 03 00 00 00 03 10 15
回复FF 03 06 19 AD 1B E4 27 15 79 FA
注:温度:第4,5个字节19 AD=6573/100-40=25.73℃
湿度:第6,7个字节1B E4=7140/100=71.4%
压力:第8,9个字节 27 15= 10005/10=1000.5hpa
5 写站号:
设备地址功能码起始寄存器地址寄存器个数数据长度数据CRC校验
xx10000100010200xxCRCloCRChi(XX=0X01-0XFF)
写寄存器回应
设备地址功能码起始寄存器地址寄存器个数CRC校验
xx1000010001CRCloCRChi
示例
命令00 10 00 01 00 01 02 00 33 EA 04
回复00 10 00 01 00 01 51 D8
读站号:(固定命令)
设备地址功能码起始寄存器地址寄存器个数CRC校验
000300010001CRCloCRChi
站号回复
设备地址功能码数据长度数据CRC校验
00030200xxCRCloCRChi(XX=01-ff)
示例
6 读站号
命令00 03 00 01 00 01 D4 1B
回复00 03 02 00 FF C5 C4
质保及售后:
保修承诺:产品自交付期起质保期为12个月(因未按照相应的技术要求操作或XXX的人为行为导致产品发生问题除外)。
售后承诺:用户可以通过电话咨询有关技术问题,并得到明确的解决方案。若属于产品本身质量问题可返厂维修或更换。





邯郸市耘农智慧农业科技有限公司
113 


浙公网安备33010502012242号