首页 > 产品信息 > 包装设备/材料 > 包装设备 > 贴标机
高赋码试管打印贴标机 边抓取边打印
  • 已有  308次浏览
  • 时间:2023-10-30 16:08    我要举报

  • 【本产品信息仅作展示,交易风险需自行承担,请务必核实企业资质后再合作】
东莞市高飞电子科技有限公司 商家主页
  • 实名信息:     
  • 资质审核: 商家已提交营业执照并通过平台审核
  • 所属品牌:

  • 高飞电子科技

  • 所在地区:广东省 东莞市

    所属行业:贴标机

    联系方式
    参考价格价格详询
    平台认证 (企业未提供价格参考)
  • 女士       
  • 15814256370
      询价提醒:提交后供应商自行联系,平台不参与。
    基本信息

    东莞市高飞电子科技有限公司

    企业会员第4年
    • 企业名称:东莞市高飞电子科技有限公司
    • 企业地址:东莞市东城街道温塘社区皂一(2)村黄泥岭工业区D栋2楼201

      认证类型

       
    • 企业实名
    • ·
    • 企业认证
    • VIP
    • 详细详情
    • 所属保质期:12个月
    • 信息类型:企业产品
    • 所属行业:贴标机
    • 所在地区:广东省 东莞市

    高赋码试管打印贴标机 边抓取边打印高赋码试管打印贴标机 边抓取边打印

    高赋码试管打印贴标机 边抓取边打印

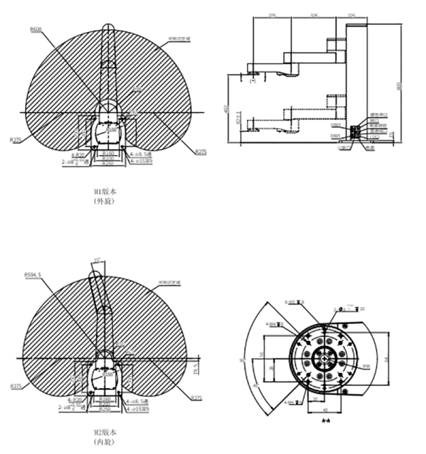
    • 臂长:600mm

    • 重复定位精度:±0.02mm

    • Z轴(高度)可定制范围: 0.1m~0.8m

    • 负载: 5KG

    • 支持硬急停、调试/在线升级(USB口)

    高赋码试管打印贴标机 边抓取边打印

    没用 0举报 收藏 0

    • 下一篇: 隆泰鑫博牌防火泥有机防火堵泥规格齐全 颜色可调 性能稳定
    • 上一篇: 高赋码试管打印贴标机 GF T122
    免责申明:
    以上所展示的高赋码试管打印贴标机 边抓取边打印页面信息由东莞市高飞电子科技有限公司 自行提供,高赋码试管打印贴标机 边抓取边打印信息内容的真实性、准确性和合法性由发布企业东莞市高飞电子科技有限公司 负责,黔优网不承担任何责任。黔优网为信息展示平台,仅提供信息展示服务,不参与任何交易行为,且不涉及用户间因交易而产生的法律关系及法律纠纷,纠纷由您自行协商解决。如您发现东莞市高飞电子科技有限公司 企业店铺内有任何违法/侵权信息,请立即点此【投诉举报】并提供有效线索。也可以通过邮件(邮箱号:kefu@qianu.com)联系我们及时修正或删除。