⊙产品概述
本产品主要采用优质聚合物碳纤维为原材料,具有良好的防腐、防侵蚀等特点,能够保证仪器长期使用不起锈,同时配合内部顺滑的轴承系统,确保了信息采集的精确性。外型小巧轻便,便于携带和组装,三杯设计理念可以有效获得外部环境信息。
1、功能特点
◆体积小,携带方便、安装简捷
◆测量精度高,量程宽,稳定性好
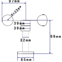
◆结构设计合理,外观质量佳
◆数据信息线性度好,信号传输距离长,抗外界干扰能力强
2、适用范围
可广泛应用于温室、环境保护、气象站、船舶、 码头、养殖等环境的风速测量。
3、工作、存储条件
工作温度:-40~85°C
工作湿度:0~100%RH
储存温度:-40~125°C
储存湿度:<80%(无凝结)
⊙技术参数
启动风力:0.2-0.4 m/s
测量精度:±(0.3+0.03V)m/s(V表示风速示值)
信号输出:(标记“þ”为您所购买使用的型号)
¨ 电压型
量 程:0~32. 4 m/s
供电电压:7V~24 V DC
输出信号:0.4~2V
风速值=(输出电压-0.4)/1.6*32.4
供电电压:12V~24 V DC
输出信号:0~5 V、1~5 V
风速值=输出电压/5*32.4
风速值=(输出电压-1)/4*32.4
¨ 电流型
量 程:0~32. 4 m/s
供电电压:12V~24V DC
输出信号:4~20 mA
负载能力:≤200Ω
风速值=(输出电流-4)/16*32.4
¨ 脉冲型(霍尔)
量 程:0~60 m/s
输出信号:脉冲(每个脉冲对应0.88m/s)
信号说明:内加上拉电阻逻辑1=VCC,逻辑0=GND
供电电压:5V~24V DC
¨ RS485型
量 程:0~32. 4 m/s
供电电压:7V~24V DC
通信协议:Modbus-RTU
设备功耗:<15mA
防护等级:IP66
上电响应时间:2s





4783
北海市灵犀数字科技有限公司


浙公网安备33010502012242号