

| 价格 | 面议 |
| 发货 | 河北省邯郸市 |
| 品牌 | 耘农智慧 |
| 该产品库存不足 |
产品简介
螺旋桨式速向传感器是用来测量水平场的速和向数据的标准化仪器。这款传感器初是为海洋观测浮标开发的。它的特点是强度大、重量轻、精度高、耐腐蚀。它由尾翼、螺旋桨、鼻锥体、速轴、安装立柱和XXX内部零件组成。除了磁导轴和外购标准件外,XXX均采用注塑模具件构成,以保证产品品质的一致性。尾翼、螺旋桨、鼻锥体采用了抗紫外线和氧化的塑料材料,可以保证1年内,传感器不会发生塑化或黄变的情况。
原理
螺旋桨旋转生成正弦电波,正弦交流电波的频率与速成线性关系。正弦交流电波是由固定在速轴上的测速线圈和六级磁钢感应产生的。螺旋桨每旋转一周必然会产生三个完整的正弦波,既不会多也不会少,因此速数据通过正弦波的频率反应出来是稳定而准确的。
尾翼的位置可以反应向数据。尾翼带动角度传感器的轴旋转,准确的获得的输出电压。角度传感器输入稳定的供电电压,尾翼旋转所产生的模拟电压准确的反应了向数据。
产品特点
※ 抗能力,速向准确度高;
※ 功耗低,更适合海上、高山等无外部电力供给环境;
※ 兼容性强,可无缝衔接国外同类产品;
※ 系列化程度高,产品和输出协议可选种类丰富,适配更多应用场景;
应用场景
可广泛应用于海洋浮标、象台站、各类船舶舰艇、高速公路、港口和桥梁等。

技术参数
XF-C2L螺旋桨式速向传感器
速测量范围0-60m/s (标准0-60米,洞报告0-60米)
准确度±(0.5+0.05×V真)m/s
启动值1.1m/s
分辨率0.2m/s
速系数0.098m/s对应1Hz
1.螺旋桨外径180mm,每旋转一周可感应速294mm
2.测速线圈静线阻2700欧姆
3.正弦交流电信号电阻值80mV-100rpm,8V-10000rpm
向测量范围0-360°(无死区)
准确度±5°
分辨率1°
相应角<±10°
1.尾翼回转半径380mm
2.在10°的响应角的条件下,向感应速1.5m/s
3.向传感器寿命5000万转
温度适用范围-10℃至60℃
输出模式XF-C2L/S(4-20毫安)XF-C2L/485(串口)
XF-C2H螺旋桨式速向传感器
速测量范围0-100m/s (标准0-60米,洞报告0-60米)
准确度±(0.2+0.025×V真)m/s
启动值1.0m/s
分辨率0.1m/s
速系数0.098m/s对应1Hz
1.螺旋桨外径180mm,每旋转一周可感应速294mm
2.测速线圈静线阻2700欧姆
3.正弦交流电信号电阻值80mV-100rpm,8V-10000rpm
向测量范围0-360°(无死区)
准确度±3°
分辨率0.1°
相应角<±10°
1.尾翼回转半径380mm
2.在10°的响应角的条件下,向感应速1.5m/s
3.向传感器寿命5000万转
温度适用范围-15℃至60℃
输出模式XF-C2H/S(4-20毫安)XF-C2H/485(串口)
产品清单
名称数量
速向传感器-螺旋桨1个
速向传感器-主机1个
产品说明书1份
44mm卡箍2个
10mm外六角扳手1个
合格证1份
安装
螺旋桨式速向传感器可安装在一个一英寸(外径34mm)的不锈钢钢管上,电子电路通过电盒内部的端子实现。原始信号为5根电缆线,两根用于速,三根用于向。如果用户选择了电路转换板,则电路转换板可以把速向数据通过485协议、422协议传送给主控系统。
故障诊断
螺旋桨式速向传感器如果发生故障,可整机更换,不建议用户自己做维修理
1.速系统
速系统由于持续高速的旋转,速轴上的两个陶瓷轴承可能发生磨损,所表现的现象是噪音持续变大后,并终导致螺旋桨旋转产生无法忍受的误差。这时可以判断传感器出现故障,可以更换。
2.向系统
向系统由于尾翼持续旋转也会产生磨损,所表现的现象是角度传感器的线性出现偏差,当线性偏差超过标准的要求时,建议更换。
3.表面
随着时间推移,受紫外线等条件的影响,设备表面白色的区域会逐渐变黄,这个时间会超过两年。到两年的时间后,用户可根据实际工况考虑更换。如果表面出现龟裂。
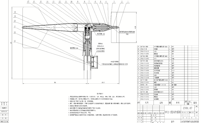
机械电图

质保及售后:
保修承诺:产品自交付期起质保期为12个月(因未按照相应的技术要求操作或XXX的人为行为导致产品发生问题除外)。
售后承诺:用户可以通过电话咨询有关技术问题,并得到明确的解决方案。若属于产品本身质量问题可返厂维修或更换。