
| 价格 | 面议 |
| 发货 | 河北省邯郸市 |
| 品牌 | 耘农智慧 |
| 该产品库存不足 |
508E传感器采用低功耗设计方案可以同时测量土壤温度、土壤体积含水量和土壤电导率(EC)三个参数。
产品选型表
型号监测参数
508E-TH土壤温湿度
508E-E土壤电导率
508E土壤温湿盐
产品原理:
土壤温度:传感器在一根探针上布置了一颗数字感温芯片,用过覆铜的方式增加温度传导效率,用于测量探针表面,也是土壤的温度。
土壤体积含水率:传感器使用的是基于介电常数的FDR原理,用过测量土壤介电常数对高频信号的传输影响来反推土壤含水率。
土壤电导率(EC):传感器通过在两个金属探点上施加交流电的方式来测量阻抗,从而测算出土壤电导率。交流电的方式避免了单向电压带来的极化影响,同时电导率的测量还加入和温度的自我校正。
传感器采用自动休眠设定,每3分钟工作一次。数据变化周期为3分钟。
产品参数:
供电电压:DC6-24V
功 率:≤0.05W
瞬间电流:≤15MA 平均电流<3MA
监测参数测量范围分辨率精度
温度-20-80℃0.1℃±0.5℃
土壤体积含水率0-VOL0.1%±3%(0-45%),±5%(>45%)
土壤电导率0-6000uS/CM10uS±5%
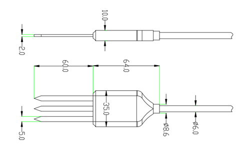
产品尺寸:

产品安装:
有效测量范围:

圆柱高为探针针长上下各增加1CM即8CM,直径5CM的圆柱体。在此有效范围内要避免有大的石块或根系。
安装方式:
两种方式埋设

接线说明:
线色定义
红电源正
黑电源负
黄RS48
蓝RS485B
使用注意事项
1.安装时应注意保证探针与土壤接触
2.土壤体积含水量的准确性仅保证土壤温度高于0℃(水结冰时介电常数变化极大)
3.土壤电导率的准确性仅保证土壤温度高于0℃,土壤体积含水量高于20%VOL
4.应保证土壤电导率两个探点清洁,探点有油污时会极大的影响电导率的准确性
5.本产品是通过率定介电常数对高频信号的传输影响来反推土壤体积含水量,两个参数成线性关系,对土壤体积含水量要求较高的用户可对传感器进行二次率定。
MODBUS RTU通讯协议(适用于508E系列传感器)
波特率:9600
数据位:8
停止位:1
校验位:无
1.1 CRC说明:
以下所有说明中,MODBUS RTU 协议中的CRC16两字节,按照MODBUS规定:低字节在前,高字节在后。
以下说明中,假定传感器地址0xFF(传感器缺省地址为FF)
1.2 返回错误码规定:
传感器对于错误指令的接收(包括CRC16效验错误),均实行不返回错误码方式。上位机可在指令发出100ms后收不到返回数据时认为发出指令失败,可重新发送指令。
2.1 标准MODBUS 寄存器说明
特别注意:MODBUS 命令中寄存器的数量或长度一项均为两字节16 位为一个单位(高字节在前,低字节在后),而非单字节8 位为一个单位。
用户应保证命令中寄存器的地址和数量这两项参数的范围在本系统规定范围之内。如果超出范围,传感器的输出结果将无法预测,用户应在上位机软件设计中保证MODBUS 命令符合本手册要求
输入寄存器:用功能码 03 读
地址操作内容备注
0x0000只读土壤体积含水量,放大10倍的16进制数,如0x012C表示含水量为30.0%VOL
0x0001只读土壤温度,放大100倍加20的16进制数,如0x0FA0表示温度为20.0℃
0x0002只读电导率(EC),16进制数,如0x012C表示电导率为300uS/cm
内部寄存器:用功能码 03 读;功能码06 写
地址操作内容备注
0x0000读写传感器地址,范围0x01-0xFF(十进制),出厂设置为0xFF
注:地址部分的数据为16进制表示,例:地址20(十进制)读写值为0x14
下面举例介绍一下利用 Modbus RTU 命令访问系统寄存器的方法:
1、读取多个输入寄存器(3个实时数据)命令
发送:FF 03 00 00 00 03 10 15
FF0300 0000 0310 15
系统地址功能码寄存器地址寄存器数量软件自动产生的CRC16校验位
回答:FF 03 06 01 2C 01 00 00 56 78 C4
数据段数据为:
FF030601 2C 01 00 00 5678 C4
系统地址功能码数据段字节数量数据段数据CRC16校验位
2、读取地址寄存器命令
发送:00 03 00 00 00 01 85 DB
000300 0000 0185 DB
功能码寄存器地址寄存器数量软件自动产生的CRC16校验位
回答:00 03 02 00 01 44 44
00030200 0144 44
功能码数据段的字节数量数据段数据CRC16校验位
数据段数据为0x0001 =01 表示系统地址01
3、修改内部寄存器(系统地址)命令(把地址改为0x33)
发送:00 06 00 00 00 33 C8 0E
000600 0000 33C8 0E
功能码寄存器地址新地址CRC16校验位
回答:00 06 00 00 00 33 C8 0E (表示修改成功)
000600 0000 33C8 0E
功能码起始地址新地址CRC16校验位
备注:
土壤三参数默认更新时间为3分钟,需要快速观测时可发送AT+CALIBRATION=1#指令,
切换为测试模式,更新时间更改为3秒,该指令掉电不保存。
不重新上电的情况下可发送AT+CALIBRATION=0#指令将传感器切回工作模式,3分钟更新。
质保及售后:
保修承诺:产品自交付期起质保期为12个月(因未按照相应的技术要求操作或XXX的人为行为导致产品发生问题除外)。
售后承诺:用户可以通过电话咨询有关技术问题,并得到明确的解决方案。若属于产品本身质量问题可返厂维修或更换。